Momentálne spracovávame väčšie množstvo objednávok než zvyčajne, preto sa môže čas doručenia objednávok mierne predĺžiť. Ďakujeme za vašu trpezlivosť.
Priehľad s prírubami – 75 mm
Kód: 057420075


Podrobný popis
Priehľadný kontrolný prvok pre váš bazén - PVC priehľad s prírubami 75 mm
Priehľad s prírubami 75 mm z kvalitného PVC-U materiálu predstavuje praktický kontrolný prvok pre bazénové inštalácie. Tento transparentný komponent umožňuje sledovať prietok vody vo vašom potrubnom systéme bez potreby demontáže a zásahu do inštalácie.
Prečo sú kvalitné PVC rúry a tvarovky kľúčové pre váš bazén?
PVC rúry a tvarovky tvoria základ každého spoľahlivého bazénového systému. Správne zvolené komponenty, ako tento priehľad s prírubami, zabezpečujú dlhodobú funkčnosť a bezproblémovú prevádzku celého systému. Transparentné prevedenie priehľadu vám umožní:
- Vizuálne kontrolovať prietok vody v potrubí
- Včas identifikovať prípadné znečistenie alebo problémy s cirkuláciou
- Overiť funkčnosť filtračného systému bez nutnosti demontáže
Ako fungujú plastové tvarovky a PVC potrubie v bazénovom systéme?
Plastové tvarovky vrátane priehľadu s prírubami 75 mm tvoria spojovacie prvky medzi jednotlivými časťami bazénového potrubia. PVC rúry na vodu prenášajú vodu medzi filtračným zariadením, čerpadlom a samotným bazénom. Priehľad umiestnený na strategickom mieste umožňuje:
- Monitorovanie čistoty vody pred a po filtrácii
- Kontrolu prietoku v systéme
- Rýchlu diagnostiku problémov s filtráciou alebo čerpadlom
Priehľad s prírubami sa inštaluje medzi dva úseky PVC potrubia pomocou prírubového spoja, čo umožňuje jednoduchú montáž aj demontáž v prípade potreby.
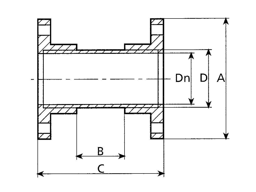
Technické detaily - Výkonnosť PVC potrubia a prírubového systému
- Materiál: PVC-U (neplastifikovaný polyvinylchlorid) - vyznačuje sa vyššou pevnosťou a chemickou stabilitou než bežné PVC
- Priemer: 75 mm - štandardný rozmer kompatibilný s bežnými PVC rúrami na vodu
- Tlaková trieda: PN10 (odolnosť do 10 barov) - dostatočná pre všetky bežné bazénové aplikácie
- Teplotná odolnosť: 0°C až +60°C - vhodné pre sezónne i celoročné používanie
- Spôsob pripojenia: Prírubový spoj - umožňuje jednoduchú montáž a demontáž
- Farba: Transparentná stredová časť s bielymi PVC prírubami
- Chemická odolnosť: Vysoká odolnosť voči chlóru a bežným bazénovým chemikáliám
Pribalené príslušenstvo:
- 2× tesniace krúžky
- Montážne skrutky
Prečo vybrať tento priehľad? Výhody PVC rúr a tvaroviek pre bazénové inštalácie
Odolnosť a životnosť:
- PVC-U materiál je špeciálne vyvinutý pre vodárenské a bazénové aplikácie
- Odoláva dlhodobému pôsobeniu chlóru a iných bazénových chemikálií
- Nevyžaduje antikoróznu úpravu, na rozdiel od kovových komponentov
Praktickosť a jednoduchá údržba:
- Transparentný materiál umožňuje okamžitú kontrolu prietoku
- Hladký vnútorný povrch minimalizuje usadzovanie nečistôt
- Jednoduchá montáž a demontáž vďaka prírubovému systému
Univerzálne použitie:
- Vhodné pre bazény s rôznymi typmi filtrácie
- Použiteľné v systémoch s pieskovým filtrom, kartušovou filtráciou alebo kremelinou
- Kompatibilné so systémami so slanou úpravou vody
Bezpečnosť a spoľahlivosť:
- Certifikovaná tlaková odolnosť do 10 barov
- Hygienicky nezávadný materiál vhodný pre úžitkovú vodu
- Odolnosť voči UV žiareniu pri vonkajšej inštalácii
Inštalácia, údržba a praktické rady s použitím lepidla a PVC tvaroviek
Postup inštalácie:
- Naplánujte umiestnenie priehľadu - ideálne na dobre prístupnom mieste, kde potrebujete kontrolovať prietok (napr. za filtráciou)
- Pripravte existujúce potrubie - vymerajte a vyznačte miesto rezu
- Prerušte potrubie a pripravte konce na montáž (očistite a zdrsnite)
- Nasaďte príruby s tesniacimi krúžkami na oba konce potrubia
- Vložte priehľad medzi príruby a rovnomerne dotiahnite montážne skrutky
Tipy pre lepené spoje:
- Pre trvalé spojenie použite špeciálne lepidlo na PVC tvarovky
- Pred aplikáciou lepidla očistite a odmastite spájané plochy
- Pri lepení dodržujte odporúčanú teplotu 5-35°C
- Po nalepení nechajte spoj vytvrdnúť minimálne 24 hodín pred natlakovaním systému
Údržba priehľadu:
- Pravidelne kontrolujte priehľadnú časť, či sa na nej netvoria usadeniny
- V prípade zakalenia vyčistite vnútornú stranu neabrazívnym čistiacim prostriedkom
- Kontrolujte tesnosť spojov, najmä po zimnom období
Široké možnosti využitia PVC rúr a tvaroviek v bazénových systémoch
Bazénové aplikácie:
- Kontrola prietoku v hlavnom filtračnom okruhu
- Monitorovanie čistoty vody pred a po filtrácii
- Sledovanie funkčnosti automatických dávkovačov bazénovej chémie
Jazierkové a wellness aplikácie:
- Kontrola prietoku v systémoch s UV lampami
- Monitorovanie čistoty vody v okrasných jazierkach
- Sledovanie prietoku v systémoch s tepelnými čerpadlami
Integrácia do komplexných vodných systémov:
- Kompatibilita s PVC rúrami rôznych priemerov pomocou redukčných tvaroviek
- Možnosť začlenenia do systémov s automatickou úpravou vody
- Vhodné aj pre systémy s ohrievaním bazénovej vody (solárne panely, tepelné výmenníky)
Odporúčané produkty a náhradné diely - Komplexný systém pre bazén
Pre kompletnú bazénovú inštaláciu odporúčame doplniť:
- PVC rúry 75 mm - pre hlavné rozvody bazénového systému
- PVC tvarovky na vodu - kolená, T-kusy a redukcie pre komplexné inštalácie
- PVC tvarovky lepené - pre trvalé spoje v bazénovom systéme
- Lepidlo na bazény - špeciálne lepidlo pre spoľahlivé spoje PVC komponentov
- PVC guľové ventily - umožňujú reguláciu prietoku v systéme
- Bazénové čerpadlo - pre optimálnu cirkuláciu vody
- Piesková filtrácia - pre účinné čistenie bazénovej vody
Často kladené otázky
Je priehľad s prírubami vhodný aj pre slanú vodu?
Áno, PVC-U materiál má vynikajúcu odolnosť voči slanej vode, preto je ideálny aj pre bazény so slanou úpravou vody.
Ako často je potrebné kontrolovať alebo čistiť priehľad?
Odporúčame vizuálnu kontrolu aspoň raz mesačne. Čistenie závisí od kvality vody - pri výskyte usadenín je vhodné ho vyčistiť pre zachovanie dobrej viditeľnosti.
Môžem priehľad používať celoročne aj v exteriéri?
Pri celoročnom používaní v exteriéri odporúčame na zimu systém vypustiť, aby nedošlo k poškodeniu mrazom. PVC-U materiál je odolný voči UV žiareniu, takže vydrží aj priame slnečné svetlo.
Aký je rozdiel medzi PVC-U a bežnými PVC rúrami na odpad?
PVC-U (neplastifikovaný polyvinylchlorid) má vyššiu pevnosť, tlakovú odolnosť a chemickú stabilitu v porovnaní s bežnými PVC rúrami na odpad. Je preto ideálny pre tlakové bazénové aplikácie.
Priehľad s prírubami 75 mm z kvalitného PVC-U materiálu predstavuje spoľahlivé riešenie pre monitoring bazénového systému. Vďaka transparentnému prevedeniu, jednoduchej inštalácii a vysokej odolnosti voči bazénovej chémii sa stane nenahraditeľnou súčasťou vašej bazénovej inštalácie. Investujte do kvalitných PVC rúr a tvaroviek, ktoré zabezpečia bezproblémovú prevádzku vášho bazéna po mnoho sezón.
Dodatočné parametre
| Kategória: | Priehľady s prírubami pre rôzne veľkosti PVC potrubí |
|---|---|
| Hmotnosť: | 1.44 kg |
