Momentálne spracovávame väčšie množstvo objednávok než zvyčajne, preto sa môže čas doručenia objednávok mierne predĺžiť. Ďakujeme za vašu trpezlivosť.
Manžeta na prírubu – 40 mm
Kód: 57121040


Podrobný popis
Manžeta na prírubu 40 mm - Spoľahlivé spojenie PVC rúr pre vodovodné a odpadové systémy
Manžeta na prírubu 40 mm predstavuje dôležitú súčasť moderných potrubných systémov. Tento spojovací prvok z kvalitného PVC-U materiálu zabezpečuje spoľahlivé spojenie v rozvodoch vody a odpadových systémoch. PVC rúry a tvarovky patria k najpoužívanejším materiálom v inštalatérskej praxi vďaka svojej odolnosti, cenovej dostupnosti a jednoduchej montáži. Práve kvalitné spojovacie prvky ako manžeta na prírubu sú kľúčové pre vytvorenie bezpečných a trvácnych spojov v celom systéme.
Použitie a montáž - Ako efektívne spojiť PVC rúry a tvarovky
Metódy spojenia PVC rúr s manžetou
- Lepené spoje - najčastejšie používaná metóda pre trvalé spojenia
- Používajte kvalitné lepidlo určené pre PVC materiály
- Pred lepením dôkladne očistite a odmastite spájané povrchy
- Naneste rovnomernú vrstvu lepidla na obe časti
- Po spojení fixujte aspoň 30 sekúnd a nechajte schnúť minimálne 24 hodín
- Mechanické spojenie - vhodné pre demontovateľné spoje
- Použite vhodné gumové tesnenie pre zaistenie vodotesnosti
- Spoj rovnomerne dotiahnite, aby ste predišli netesnostiam
- Pravidelne kontrolujte stav spojov, najmä pri vyššom tlaku
Praktický postup inštalácie
- Presne odmerajte a odrežte PVC rúru na požadovanú dĺžku
- Zrážte hrany rúry a dôkladne očistite spájané plochy
- Skontrolujte, či manžeta presne sedí na prírubu
- Aplikujte lepidlo alebo umiestnite tesnenie podľa zvolenej metódy
- Spojte diely a zaistite ich v správnej polohe
- Po vytvrdnutí lepidla otestujte tesnosť spoja
Vlastnosti produktu - Výhody manžety na prírubu pre PVC potrubie na vodu
Materiálové vlastnosti
- Vyrobené z kvalitného PVC-U - materiál určený pre vodoinštalácie
- Vysoká chemická odolnosť - odoláva bežným látkam vo vode i v odpadoch
- Teplotná stálosť - funkčné v rozmedzí -5°C až +60°C
- Životnosť až 40 rokov - pri správnej inštalácii a bežných podmienkach
- Hygienická nezávadnosť - vhodné pre rozvody pitnej vody
Rozmerová presnosť a kompatibilita
- Univerzálne použitie - kompatibilná s bežnými PVC rúrami priemeru 40 mm
- Možnosť napojenia na rôzne dimenzie - pomocou redukčných tvaroviek možno napojiť aj na väčšie rozmery (pvc rura 63, pvc rura 160, pvc rura 200)
- Presné výrobné tolerancie - zaručujú tesné spojenie a minimalizujú riziko úniku
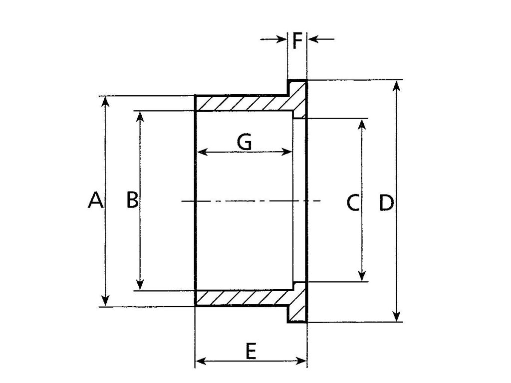
Technické detaily - Špecifikácia a kompatibilita s plastovými rúrami
- Priemer: 40 mm
- Materiál: PVC-U (polyvinylchlorid nezmäkčený)
- Farba: Sivá/biela (podľa výrobcu)
- Maximálny pracovný tlak: 16 bar (pri 20°C)
- Teplotná odolnosť: -5°C až +60°C
- Hmotnosť: približne 100 g
- Chemická odolnosť: pH 2-12
- Kompatibilita: Štandardné PVC rúry a tvarovky s vonkajším priemerom 40 mm
Výhody a benefity - Prečo zvoliť túto manžetu do vodovodného a odpadového systému
Praktické výhody pri inštalácii
- Nízka hmotnosť - jednoduchá manipulácia pri montáži
- Rýchla inštalácia - šetrí čas a náklady na prácu
- Nevyžaduje špeciálne nástroje - postačí základné inštalatérske vybavenie
- Minimálne nároky na zručnosť - vhodné aj pre domácich majstrov
Spoľahlivosť v rôznych aplikáciách
- Vysoká tesnosť spojov - výrazne znižuje riziko únikov vody
- Odolnosť voči vibráciám - spoje zostávajú pevné aj pri dynamickom zaťažení
- Žiadna korózia - na rozdiel od kovových spojovacích prvkov
- Odolnosť voči bežným čistiacim prostriedkom - uľahčuje údržbu systému
Široké možnosti použitia
- Domáce rozvody pitnej vody - bezpečné riešenie pre kuchyne a kúpeľne
- Zavlažovacie systémy - ideálne pre záhradné aplikácie
- Bazénové technológie - vhodné pre filtračné systémy a rozvody bazénovej vody
- Odpadové systémy - spoľahlivé riešenie pre domáce i priemyselné odpady
- Priemyselné aplikácie - použiteľné v menej náročných priemyselných rozvodoch
Odporúčania a údržba - Tipy pre správnu inštaláciu a dlhodobú spoľahlivosť PVC potrubia
Kontrola a údržba spojov
- Pravidelná vizuálna kontrola - najmä v prvých dňoch po inštalácii
- Overenie tesnosti - odporúča sa kontrola raz ročne, najmä pri vyššom tlaku
- Ochrana pred mrazom - v exteriérových aplikáciách zabezpečte izoláciu
- Čistenie podľa potreby - používajte neabrazívne čistiace prostriedky
Riešenie prípadných problémov
- Netesnosť spojov - skontrolujte správne dotesnenie alebo použite nové lepidlo
- Drobné poškodenia - na menšie praskliny možno použiť špeciálne opravné sady
- Výmena poškodených častí - pri väčšom poškodení vymeňte celý segment
- Núdzové opravy - v prípade potreby rýchlej opravy možno dočasne použiť špeciálne lepidlá (podobné ako lepidlo na bazény)
Profesionálne poradenstvo
- Konzultácia s odborníkmi - pri zložitejších inštaláciách odporúčame konzultáciu
- Dodržiavanie miestnych noriem - overte si, či vaša inštalácia spĺňa príslušné stavebné predpisy
- Certifikované komponenty - používajte len certifikované PVC rúry a tvarovky
Najčastejšie otázky o manžete na prírubu 40 mm
S akými typmi PVC rúr je manžeta kompatibilná?
Manžeta na prírubu 40 mm je kompatibilná so štandardnými PVC rúrami a tvarovkami s vonkajším priemerom 40 mm. Pomocou redukčných tvaroviek ju možno použiť aj v systémoch s inými rozmermi rúr.
Aký je správny postup lepenia PVC spojov?
Pre optimálne lepenie najprv dôkladne očistite a odmastite spájané povrchy. Naneste rovnomernú vrstvu PVC lepidla na oba spájané povrchy a ihneď spojte. Držte spoj pevne stlačený minimálne 30 sekúnd a nechajte schnúť aspoň 24 hodín pred vystavením tlaku.
Ako kontrolovať tesnosť spojov s manžetou?
Tesnosť kontrolujte vizuálne a pri nízkotlakových systémoch pomocou jemného navlhčenia spojov. Pri tlakových rozvodoch použite tlakové skúšky podľa príslušných noriem.
Možno manžetu použiť v systémoch s pitnou vodou?
Áno, manžety na prírubu z PVC-U sú certifikované pre použitie v systémoch s pitnou vodou, pretože spĺňajú hygienické normy a neovplyvňujú kvalitu vody.
Je možné manžetu použiť aj pri bazénových systémoch?
Určite áno. Manžeta na prírubu 40 mm je vhodná pre bazénové filtračné systémy, skimmery aj rozvody bazénovej vody. Je odolná voči chlóru a ďalším bazénovým chemikáliám.
Doplnkové produkty pre komplexné inštalačné riešenia
Kompatibilné PVC rúry a tvarovky
- PVC rúry na vodu - rôzne priemery pre komplexné vodovodné systémy
- PVC rúry na odpad - vrátane štandardnej dimenzie pvc rury na odpad 110
- Plastové tvarovky na odpad - kolená, T-kusy a redukcie pre odpadové systémy
- PVC tvarovky na vodu - komplexný sortiment pre tlakové rozvody
- PVC tvarovky lepené - pre vytvorenie trvalých spojov
Montážne a tesniace materiály
- Lepidlá na PVC - špeciálne formulované pre vodotesné spoje
- Tesniace pásky a tmely - pre dodatočné utesnenie mechanických spojov
- Čistiace a odmasťovacie prípravky - pre optimálnu prípravu povrchov
Nástroje pre profesionálnu inštaláciu
- Rezačky na PVC rúry - pre presné a čisté rezy
- Odhrotovače - na prípravu hrán rúr pred spojením
- Meracie a značkovacie pomôcky - pre presnú inštaláciu
Manžeta na prírubu 40 mm je spoľahlivým spojovacím prvkom pre PVC rúry a tvarovky v rôznych aplikáciách. Vďaka kvalitným materiálom, jednoduchej montáži a dlhej životnosti predstavuje ekonomické a praktické riešenie pre domáce i profesionálne inštalácie. Pri správnej montáži a údržbe zabezpečí bezproblémovú prevádzku vodovodných aj odpadových systémov po mnoho rokov.
Pre ďalšie informácie o produktoch z našej ponuky PVC rúr a tvaroviek alebo odborné poradenstvo pri výbere vhodných komponentov pre váš projekt nás neváhajte kontaktovať.
Dodatočné parametre
| Kategória: | Manžety na príruby pre PVC rúry a potrubné systémy |
|---|---|
| Hmotnosť: | 0.1 kg |
