Momentálne spracovávame väčšie množstvo objednávok než zvyčajne, preto sa môže čas doručenia objednávok mierne predĺžiť. Ďakujeme za vašu trpezlivosť.
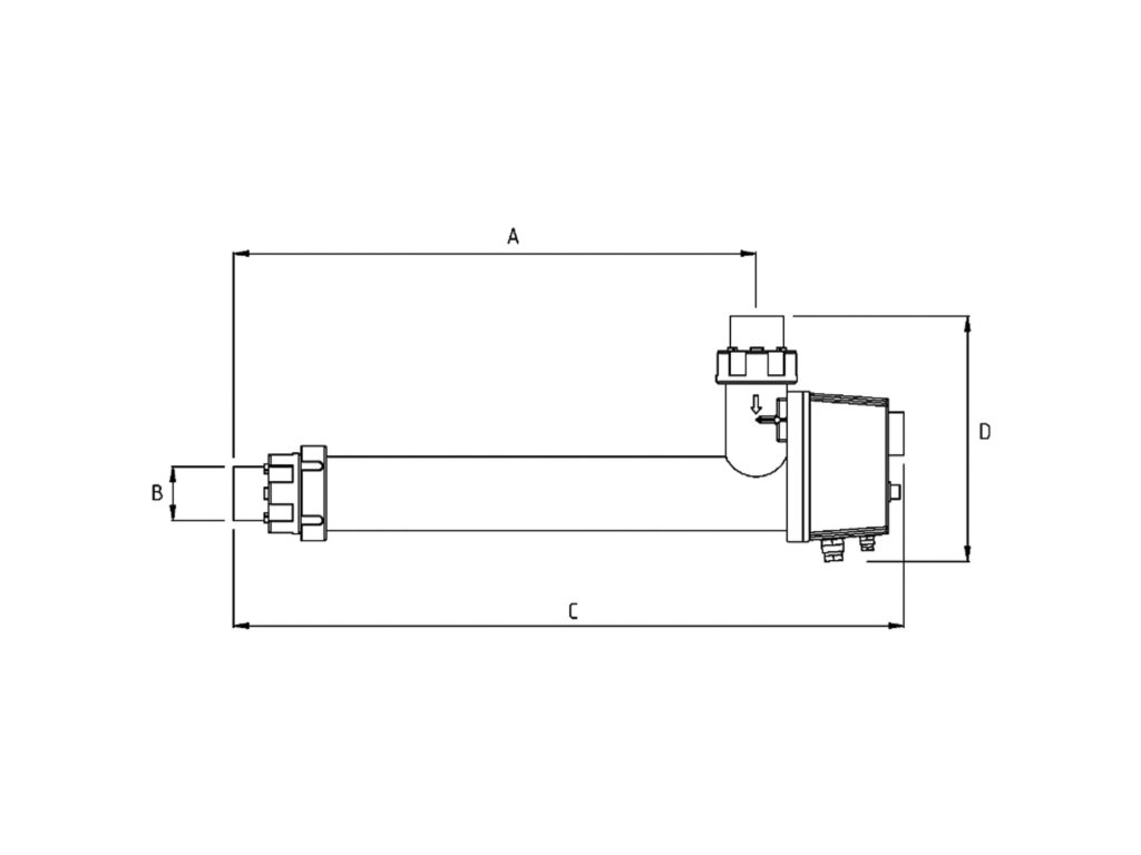
Elektrický ohrev Neo Titan D-EWT 3 kW
Kód: 060272


Podrobný popis
Elektrický ohrev Neo Titan D-EWT 3 kW je navrhnutý pre spoľahlivý ohrev s dôrazom na bezpečnosť a dlhú životnosť. V tele z tlakovoodolného nehorľavého plastu sú osadené vykurovacie prvky z titánu, ktorý je mimoriadne odolný voči korózii.
Ohrev je vhodný pre ohrev domácich bazénov, víriviek a obdobných zariadení.
Tento ohrev disponuje regulačným termostatom 0 – 40 °C, bezpečnostným termostatom 55 °C, regulátorom prietoku na ochranu proti pomalému prúdeniu vody.
Regulátor prietoku sa naskrutkuje do jednej z dvoch zásuviek, čo umožňuje jeho umiestnenie na vstupe alebo výstupe výmenníka tepla. Ďalšou výhodou je, že regulátor prietoku nie je nutné odstraňovať pri údržbe alebo oprave a v potrubí je chránený.
Pripojenie k cirkulačnému systému zapezpečujú špeciálen vyvinuté lepené zásuvky D50.
Dokonale funguje vo fixných aj mobilných zariadeniach.
Technické údaje:
- výkon: 3 kW
- použitie: domáce bazény, vírivky a obdobné zariadenia
- materiál - telo: nehorľavý plat, odolný voči tlaku
- materiál - vykurovanie: Incoloy 825
- regulačný termostat: 0 – 40 °C
- bezpečnostný termostat: 50 °C
- regulátor prietoku: áno
- prietok vody: 3000 l/h
- max. tlak: 2,5 baru
Dodatočné parametre
| Kategória: | Elektrické kúrenie pre efektívny ohrev vody v bazéne |
|---|---|
| Hmotnosť: | 1 kg |
