Momentálne spracovávame väčšie množstvo objednávok než zvyčajne, preto sa môže čas doručenia objednávok mierne predĺžiť. Ďakujeme za vašu trpezlivosť.
Dvojcestný guľový ventil s pohonom BB - D25
Kód: 085104


Podrobný popis
Dvojcestný guľový ventil s pohonom BB - D25 je kvalitný motorový guľový ventil z PVC-U určený na automatizovanú prevádzku. Guľa vo vnútri ventilu sa neotáča ručne, ale pomocou elektrického motora, vďaka čomu je ovládanie jednoduchšie, bezpečnejšie a vhodné na diaľkové alebo automatické riadenie systémov.
Guľový ventil obsahuje guľu s priechodom, ktorej pootočením sa prietok úplne otvorí alebo uzavrie. Ide o rýchly a efektívny spôsob, ako spustiť alebo zastaviť prúdenie kvapaliny a v prípade potreby umožniť aj presné riadenie prietoku.
Materiál PVC-U poskytuje výbornú chemickú odolnosť, dobrú tepelnú stabilitu a vysokú odolnosť voči korózii, vďaka čomu je ventil ideálny pre bazénovú techniku a technologické rozvody. Ventil sa vyznačuje dlhou životnosťou, jednoduchou montážou a praktickým používaním.
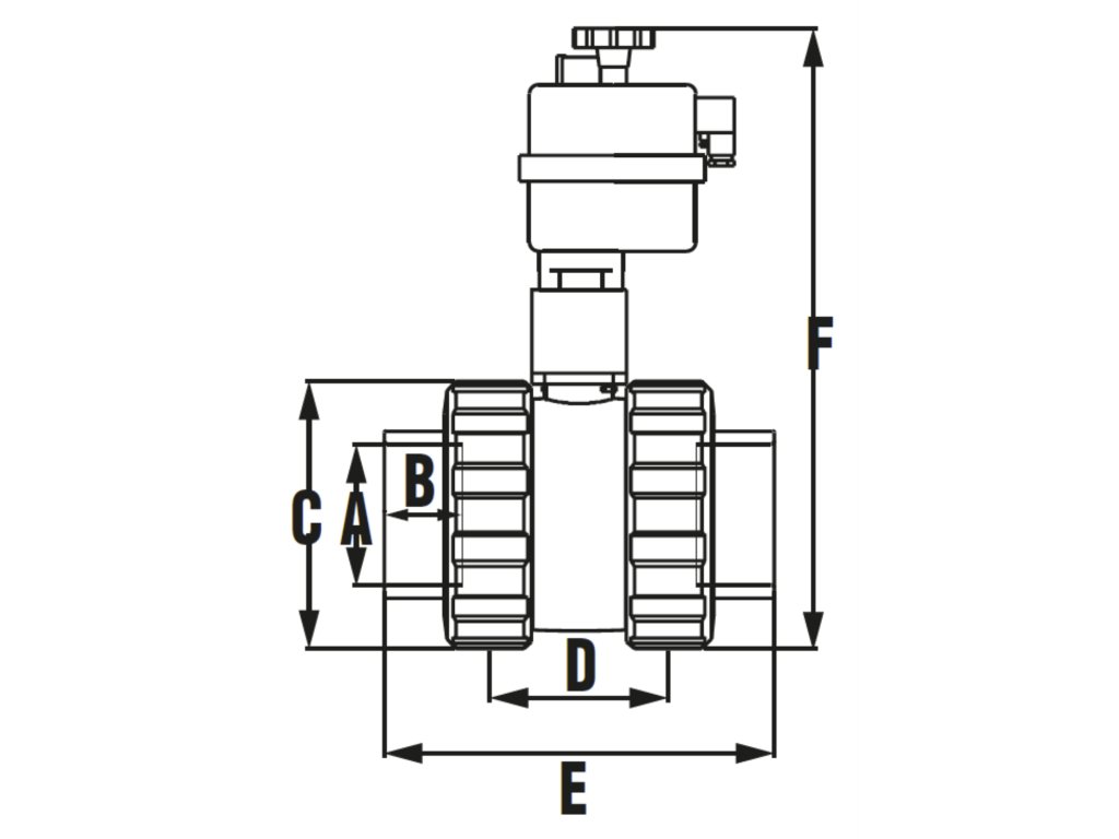
Technické údaje:
- typ produktu: dvojcestný guľový ventil s pohonom
- priemer: D25
- materiál: PVC-U
- ovládanie: elektrický motorový pohon
- motor: H10
- rozmer A: 25mm
- rozmer B: 19mm
- rozmer C: 58mm
- rozmer D: 49mm
- rozmer E: 94mm

Dodatočné parametre
| Kategória: | Dvojcestné elektrické ventily pre efektívne riadenie vody |
|---|---|
| Hmotnosť: | 1.39 kg |
