Momentálne spracovávame väčšie množstvo objednávok než zvyčajne, preto sa môže čas doručenia objednávok mierne predĺžiť. Ďakujeme za vašu trpezlivosť.
Čerpadlo IE3 VERT CF-2 300 (2.850 RPM) 230/400
Kód: CFV20500


Podrobný popis
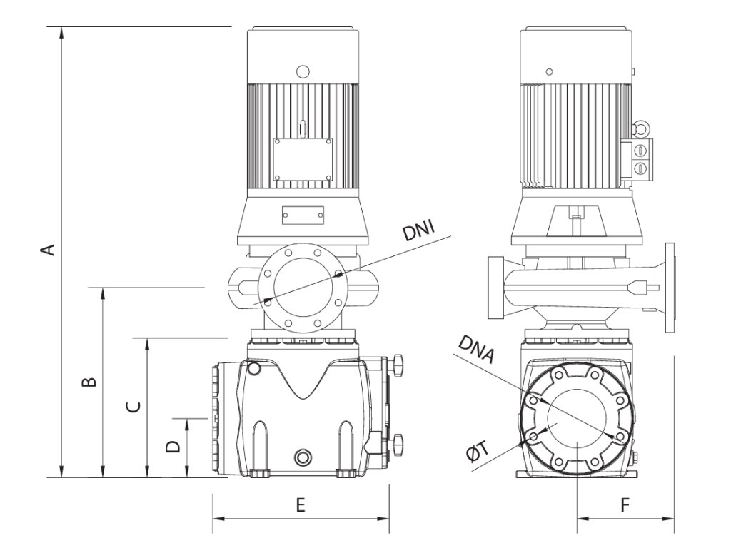
Liatinové odstredivé čerpadlo SACI CF-2 – vysokovýkonné čerpadlo pre verejné bazény a veľké filtračné jednotky
SACI CF-2 je robustné odstredivé čerpadlo vhodné pre verejné bazény a veľké filtračné jednotky. Predfilter na vstupe zabezpečuje efektívnu filtráciu, zatiaľ čo výmena elektrického pohonu bez demontáže odstredivého telesa uľahčuje údržbu.
Technické údaje a vlastnosti:
-
Teleso čerpadla a predfilter: bronzové alebo liatinové
-
Obežné koleso: liatinové (bronze na požiadanie)
-
Hriadeľ motora a kôš predfiltra: nehrdzavejúca oceľ AISI 316
-
Materiál upchávky: uhlíkovo-keramická (na požiadanie karbid kremíka)
-
Nižšia prevádzková teplota motora
-
Ochrana motora: IP55
-
Otáčky: 2 850 ot./min.
-
Vysoko výkonné čerpadlo vhodné pre veľké bazény a verejné objekty
Kľúčové výhody: vysoký výkon, robustná konštrukcia, jednoduchá údržba, ideálne pre veľké bazény a verejné bazény.
Dodatočné parametre
| Kategória: | Kvalitné liatinové a bronzové čerpadlá pre váš bazén |
|---|---|
| Hmotnosť: | 167 kg |
